
Seja bem-vindo ao maior portal sobre hidráulica industrial do Brasil
Buscar no blog
ARTIGOS EM DESTAQUE
Qual é a melhor tecnologia para desidratação de óleos industriais?
Qual é a melhor tecnologia para desidratação de óleos industriais? Desidratação de óleos industriais: fizemos…
Guardian Parker: Conheça este sistema portátil de filtragem
Guardian Parker: conheça este sistema portátil de filtragem O Guardian Parker é um sistema portátil…
EO Plus e EO2 Plus
EO Plus e EO2 Plus: por que utilizar essas conexões Parker As conexões EO Plus…
Teste hidrostático
Teste hidrostático: o que é e como é feito Entenda o que é o teste…
ARTIGOS SOBRE HIDRÁULICA INDUSTRIAL
Manutenção de cilindros hidráulicos industriais
Manutenção de cilindros hidráulicos industriais Manutenção de cilindros hidráulicos industriais: saiba como aumentar a vida…
Cilindro hidráulico industrial sob medida: guia completo
Cilindro hidráulico industrial sob medida: guia completo Cilindro hidráulico industrial sob medida: conheça vantagens, aplicações…
Teste hidrostático em tubulação
Teste hidrostático EM tubulação Teste hidrostático em tubulação: entenda o que é e qual sua…
Flushing de tubulação industrial: guia completo
Flushing de tubulação industrial: guia completo Entenda o que é, como é feito e a…
Cavitação hidráulica: Tudo o que você precisa saber
Cavitação hidráulica: Tudo o que você precisa saber Entenda o que é a cavitação hidráulica,…
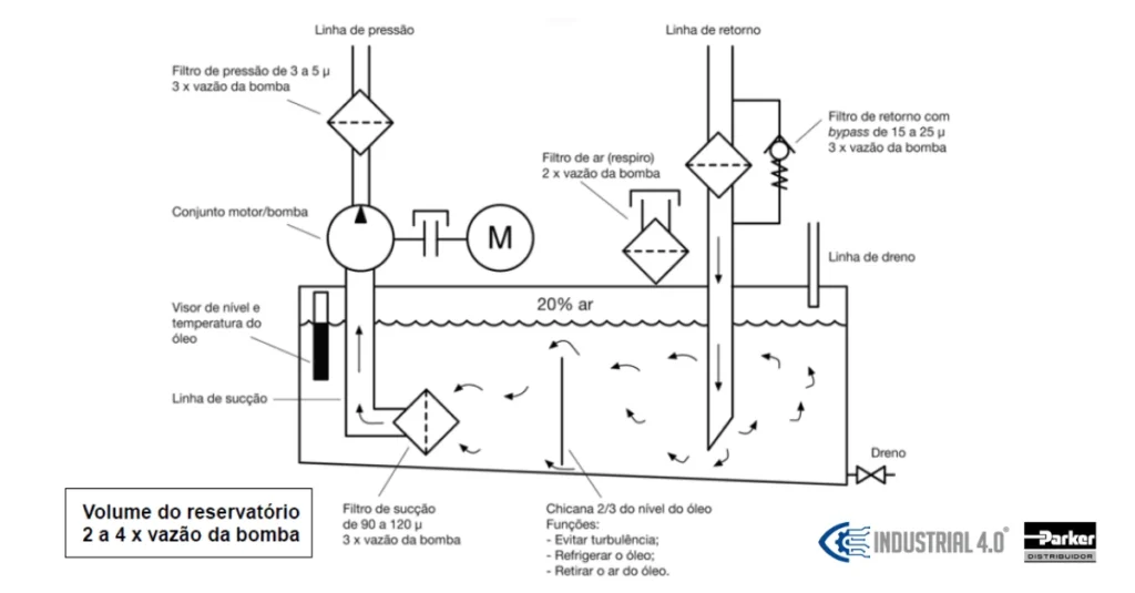
Componentes da unidade hidráulica
Componentes da unidade hidráulica Conheça os componentes da unidade hidráulica e entenda como eles, em…
NOTÍCIAS
100 anos de etanol no Brasil: Conheça a história completa
100 anos de etanol no Brasil: Conheça a história completa Em 2025, comemoramos 100 anos…
Outubro rosa na indústria
Outubro rosa na indústria Outubro Rosa na indústria: uma oportunidade de lembrar as mulheres da…
FIESP, CIESP, SENAI-SP e SEBRAE-SP lançam Jornada de transformação digital para indústrias
FIESP, CIESP, SENAI-SP e SEBRAE-SP lançam JORNADA de transformação digital para indústrias A Jornada de…
Fenasucro 2022 – 10 motivos para visitar
A Fenasucro é a melhor oportunidade para conhecer novos parceiros capazes de melhorar a produtividade…
Inauguração do Parker Innovation Lab
Parker inaugura o Parker Innovation LAB. Instalação única na América Latina. A Parker inaugura seu…
Safra 22/23 – Expectativas e possibilidades
A safra 22/23 deve representar uma recuperação em relação à safra 21/22. Veja o que…
TECNOLOGIA E INDÚSTRIA 4.0
Válvula de retenção pilotada – O que é e como funciona
Válvula de retenção pilotada A válvula de retenção pilotada permite o fluxo em uma direção,…
Válvula monitorada – O que é e para que serve
válvula monitorada – O QUE É E Para que serve A válvula monitorada é essencial…
Hidráulica industrial e inteligência artificial
Hidráulica industrial e inteligência artificial A relação entre hidráulica industrial e inteligência artificial (IA) está…
FIESP, CIESP, SENAI-SP e SEBRAE-SP lançam Jornada de transformação digital para indústrias
FIESP, CIESP, SENAI-SP e SEBRAE-SP lançam JORNADA de transformação digital para indústrias A Jornada de…
Hidráulica industrial 4.0
A hidráulica industrial 4.0 já é realidade e você pode e deve aproveitá-la nos equipamentos…
Válvula proporcional hidráulica – O que é e onde comprar
Válvula proporcional hidráulica A válvula proporcional hidráulica é um tipo de válvula cada vez mais…
AGROINDÚSTRIA
Moega de Cana – Tecnologia Hidráulica Maximiza a Produtividade
Moega de cana: Tecnologia Hidráulica Maximiza a Produtividade A moega de cana e seus componentes…
Manutenção industrial em usinas de cana de açúcar
Usinas de cana de açúcar devem contar com manutenção industrial especializada. A manutenção industrial de…
Prensa de sacarose – Funcionamento e manutenção
Prensa de sacarose – Funcionamento e manutenção A prensa de sacarose é fundamental no processo…
Oleohidráulica na agroindústria – Principais aplicações
Oleohidráulica na agroindústria Quais as aplicações da oleohidráulica na agroindústria? Descubra neste artigo, a importância…
Manutenção de entressafra
Você já planejou a próxima manutenção de entressafra? Está aí uma ótima oportunidade para você…
Sonda oblíqua Motocana – Manutenção
Sonda oblíqua Motocana – Manutenção A sonda oblíqua Motocana é uma das mais comuns em…
INDUSTRIAL 4.0
Autoridade em hidráulica industrial
Quem é autoridade possui o conhecimento técnico necessário não só para resolver os seus problemas, mas também para melhorar a sua produtividade. Tudo isso, é claro, sempre com o melhor custo-benefício do mercado.
Sobre nós
Conheça a história e o propósito da INDUSTRIAL 4.0
Produtos
Conheça os produtos Parker oferecidos.
Contato
TELEFONE E WHATSAPP: (16) 3618-0217
Endereço
Rua Prof. Antônio Rodrigues da Silva 187 – Jardim Pres. Médici, Ribeirão Preto – SP
